Last dispatch date for in-stock items: 19th December. See our Delivery page for details.
Your basket is currently empty.
Call us for bulk quantities (0)1905 794875
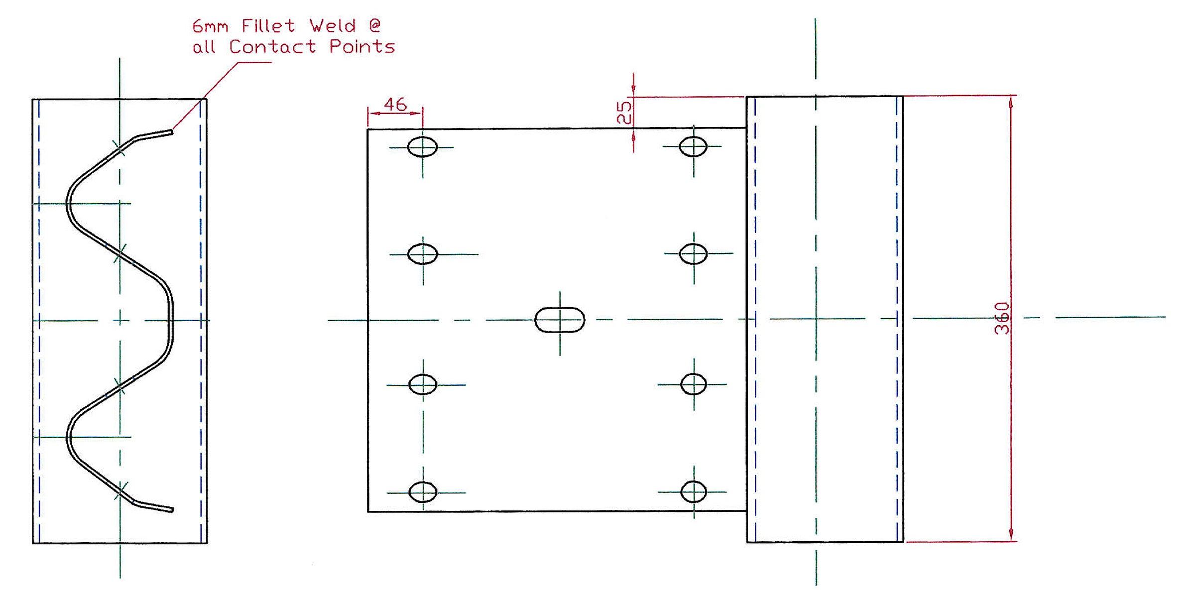
This Armco end cap is ideal for areas with high pedestrian activity, it features rounded edges and other features that reduce the likelihood of injury if someone were to trip or fall within the vicinity of the end cap.
The rounded end is specifically designed not to have any edges to catch clothing. When compared to an un-ended Armco beam it is a far safer option as there are no prominent corners. This makes the pedestrian scroll end ideal for use in shopping centre car parks and alongside walkways where there is higher than normal pedestrian foot traffic.
Like all of our steel Armco components, this end cap is made to high standards and is precision drilled for easy installation when mating to other Armco products from our range requiring little to no fettling to mate joints together. A high-quality hot-dip galvanized finish means that this end cap will retain its appearance and be exceptionally resistant to corrosion.


We have many types of Armco barrier end caps available, each with a specific purpose.

A great value end cap that comes in a variety of finishes and materials. Perfect for areas with high vehicle traffic.

A rounded return end that can be used to create back to back runs of Armco beam that remain enclosed without sharp snagging points at each end.

These soft rubberised ends improve the visibility of the barrier end. They do not have any real impact on the performance of the barrier.

Choose From A wide range of beams in different lengths and colours. All are galvanised for extra durability and corrosion resistance.

Internal, external, plastic and steel we have them all. With corner joiners within your Armco arsenal, you will get a great finish no matter the layout required.

All Armco barrier installations need to be appropriately supported. For this, you will need some legs from our wide selection of posts.
Speak to our friendly sales team today to find out how we can help you get a great deal on a pedestrian-friendly Armco setup that can improve safety at your place of work. Our experienced sales team will assist you in finding the most cost-effective solution for your needs, they are available during normal business hours at 01905 794 875.