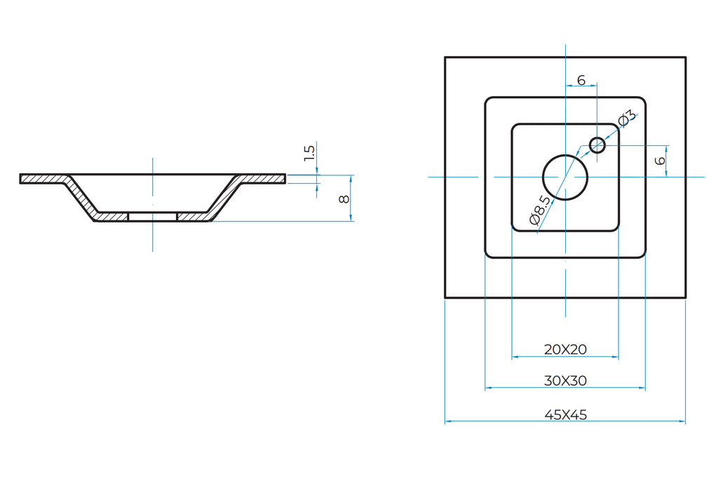
Blue Diamond Square Fixing Clip for GRP Anti-slip Grating
This square fixing clip is designed specifically for Blue Diamond's GRP grating. It can quickly and efficiently bolt the grating down without drilling through the grating itself. Made from stainless steel, it is highly corrosion-resistant.
Please note: Does not include Bolt set.




